Skip to content
Learn More About our 7-Pin Bobcat Adapters
Need a 7-Pin Bobcat Adapter? Click here!

Kit | Chinese Auction 8 Pin Dual Control | Skid Steer Genius

Original price $365.00 - Original price $365.00
Original price
$365.00
$365.00 - $365.00
Current price $365.00
Description

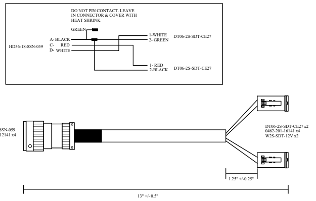
Use this kit on 8 Pin machines like ASV, Terex & old Cat A,B,C Series.  Includes 2 x Din Harnesses

These are attachments generally sold through RB Auctions or on eBay.

Current Names Being Used that this kit is designed to fit.  They add names as soon as people realize they are not real.  There are no companies in the USA or parts.

Land Honor, Wolverine, Handy, Kit Containers (HAHA), All Star, Agrotk, TMG,  Landy, Great Bear, Suihe, Great American Attachments, etc.,,etc.

It is your responsibility to verify that this will work because they constantly change the design to use whatever parts they have on hand.  If you are not sure, send us photos of the attachment, solenoid control block and all connections including any kind of controller that they shipped.  Most times we can help but sometimes we have to deliver the bad news and you will be on your own.

All of these attachments are notorious for not working out of the box or for falling apart after only a few hours.  If your attachment does not work, we will troubleshoot our connection only to prove that it is working.  The rest is on you to figure out.

This could mean that you need to change solenoids from 24 volt to 12 volt, bleed air out of the system, change couplers and move hoses around or even make replacement parts or modify the mounts to fit your machine.  

One thing that you should do is to replace all of their crappy hardware with grade 8 and use blue Loctite to ensure that nothing falls apart at the first use.  This is especially important for any kind of mower.  I have had people comment about losing their blades immediately but it's ok because they saved thousands over an American brand.  What they do not realize is that there are no parts available in this country because the brand names are just made up.

Show full description +